[Get 27+] Antennenkabel Stecker Richtig Anschließen
View Images Library Photos and Pictures. Satellitenanlagen. installieren in Alt- und Neubauten FRANZIS IM HAUS BAND 15. Planung einer Sat-Anlage. Auswahl und Installation - PDF Free Download Koaxialkabel Ratgeber 2020 Kabelfernsehen anschließen: Von der Dose bis zum TV | FernseherFuchs Crimp Anleitungen – Reicheltpedia

. Crimp Anleitungen – Reicheltpedia DIN-Antennenanschluss an Autoradio, Radio / Rundfunk / DAB+ - HIFI-FORUM Montageanleitung für F-Stecker / F-Aufdrehstecker
Kann mir bitte jemand erklären, wie ich einen F-Stecker mit dem Antennenkabel verbinden muß? (Unterhaltungselektronik)
Kann mir bitte jemand erklären, wie ich einen F-Stecker mit dem Antennenkabel verbinden muß? (Unterhaltungselektronik)

Antennendose anschließen - das müssen Sie beachten - CHIP
Sat-Kabel splitten - so geht's - CHIP
DCSk 16 m Antennenkabel Weiß - 5-Fach abgeschirmt 125: Amazon.de: Elektronik
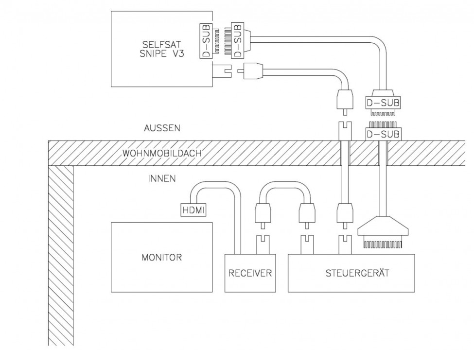
Selfsat Snipe V3 - alternativer Stecker für das Steuerkabel - Satanlagen Forum - Beratung, Planung und Konzeption vom Profi
DIN-Antennenanschluss an Autoradio, Radio / Rundfunk / DAB+ - HIFI-FORUM
TV an einer Satellitenanlage anschließen - aber mit welchem Kabel ?, Anschluss & Verkabelung - HIFI-FORUM
VIDEO: Antennenkabel anschließen - so geht's
F-Stecker auf Koaxialkabel richtig montieren – F Stecker auf Antennenkabel anbringen / anschließen | Antenne, Stecker, Kabel
TV an einer Satellitenanlage anschließen - aber mit welchem Kabel ? | Die Hardware-Community für PC-Spieler - PCGH Extreme
F-Stecker auf Koaxialkabel richtig montieren – F Stecker auf Antennenkabel anbringen / anschließen - YouTube
Zusammenstellung und Montage Ihrer Anlage (Teil 5) - satellitenempfang.info
Antennenstecker & Router | Koax Stecker | Koaxial Stecker | Koaxialstecker
Kabelfernsehen anschließen: Von der Dose bis zum TV | FernseherFuchs
Die fachmännische F-Stecker-Montage(„Quad Shield"), Satellit (DVB-S) - HIFI-FORUM
F-Stecker auf Koaxialkabel richtig montieren – F Stecker auf Antennenkabel anbringen / anschließen - YouTube
VIDEO: Koax-Stecker richtig anschließen
SAT-Kabel mit Stecker verbinden – so funktioniert's
25 m Mini Koax Kabel; Antennenkabel 4,6 mm; inkl. 10 F: Amazon.de: Elektronik
SAT Kabel verlängern - Schritt für Schritt Anleitung
Antennensteckdose anschließen | Antennendose anschließen
Koaxialkabel richtig anschließen - so geht's - CHIP
Kabelstecker am Fernseher abgefallen --> Kabel auf SAT (F) Stecker? (Anschluss, Adapter, abbrechen)
Radio über Antennenkabel anschliessen - nur wie? (Technik, Elektronik, Strom)
Komentar
Posting Komentar